电磁炉故障检修思路与电路图集最新章节目录

四、振荡电路

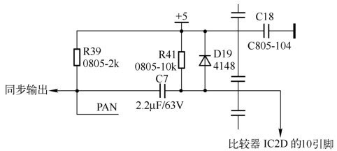
电路分析:振荡电路如图1-5所示。该电路由电阻R39、R41、二极管D19及振荡电容C7等元器件组成。该电路的作用是与同步方波脉冲形成的锯齿波驱动电压控制功率管的导通与截止。当功率管饱和导通时,集成电路IC2 C的8引脚电压大于9引脚电压,内部比较器翻转,14引脚输出低电平,经电容C7的耦合,使IC2 D的10引脚电压为低电平,此时5V电压经电阻R41对C7充电,当C7上的电压充到大于IC2 D的11引脚电压时,内部比较器翻转,13引脚输出低电平,驱动电路停止工作,功率管由导通变为截止,此时IC2 C的8引脚电压小于9引脚电压,内部比较器截止,14引脚输出的高电平经C7耦合到IC2 D的10引脚,使10引脚电压高于5V电压,随后C7经过D19放电,当C7上的电压放电到小于IC2 D的11引脚时,内部比较器截止,13引脚输出高电平,驱动电路工作,功率管由截止变为导通,此时IC2 C的8引脚电压又大于9引脚电压,14引脚输出低电平,经C7的耦合,使IC2 D的10引脚电压为低电平。5V电压经电阻R41又对C7充电。周而复始,重复上述过程便形成振荡。从上述过程中可以看出,C7的充电时间越长,功率管的导通时间会越长;相反C7充电时间越短,功率管的导通时间会越短。所以要改变电磁炉的输出加热功率,只要改变振荡电容的充电时间即可。

图1-5 振荡电路

故障特征:在振荡电路中,电阻R41阻值变大,D19的正向电阻变大,会使电磁炉不加热或输出功率变小,严重时会引起功率管击穿损坏;电容C7损坏会出现不检锅或检锅不加热等现象;D19击穿或漏电,会使IC2 D的10引脚电压始终大于11引脚电压,导致电磁炉灯闪烁不加热。

孙运生编著
作家的话
去QQ阅读支持我
还可在评论区与我互动