电磁炉故障检修思路与电路图集
下载全本
听书
电磁炉故障检修思路与电路图集最新章节目录
第一章 电磁炉单元电路解析与故障特征
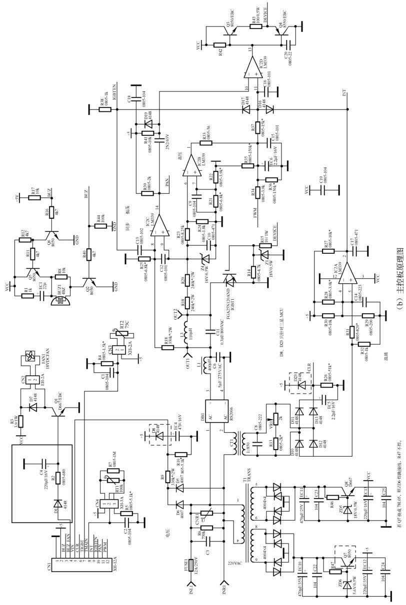
第一节 美的MC-SF182型电磁炉工作原理解析与故障特征
美的MC-SF182型电磁炉电路如图1-1所示。
图1-1 美的MC-SF182型电磁炉电路图
图1-1 美的MC-SF182型电磁炉电路图(续)
孙运生编著
作家的话
去QQ阅读支持我
还可在评论区与我互动
打开QQ阅读
上QQ阅读看本书,新人免费读10天
账号和设备都新为新人
去QQ阅读,和更多书友互动
QQ阅读用户
看了那么久,可能你有话说。我有故事,你有想法吗?