电磁炉故障检修思路与电路图集最新章节目录

十二、锅具温度检测电路

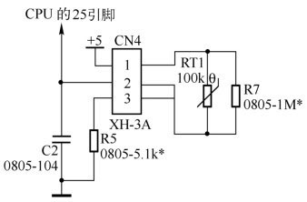
图1-13 锅具温度检测电路

电路分析:锅具温度检测电路如图1-13所示。该电路由热敏电阻RT1、R5、电容C2等元器件组成。5V电压经热敏电阻RT1与R7并联后再与电阻R5串联,取分压点电压值加到CPU的25引脚。该电路的作用是电磁炉工作时,热敏电阻经陶瓷面板时刻检测加热锅具温度的变化并将此温度的变化转变成电压形式加到 CPU上,CPU根据检测到电压的变化,输出相应的动作指令。电磁炉在加热中,锅具温度在正常范围时,经热敏电阻RT1检测,加到CPU的25引脚电压在正常范围内, CPU根据25引脚的电压正常变化,继续输出加热控制电压,电磁炉对锅具正常加热。由于某种异常原因,使锅具底部温度升高或锅具干烧时使炉面温度过高,此时热敏电阻阻值急剧下降,使加到CPU的25引脚电压大于正常范围许多,CPU检测到25引脚电压的不正常,确认炉面温度过高,内部保护电路动作便输出关机保护信号,保护电磁炉不因炉面温度过高而发生意外。

故障特征:在锅具温度检测电路中,热敏电阻RT1阻值为无穷大或短路时,电磁炉会出现加电开机后自动关机现象;热敏电阻RT1特性变差,电磁炉会出现间歇性加热现象;电阻R5、C2损坏时,电磁炉会出现加电开机后自动关机现象。

孙运生编著
作家的话
去QQ阅读支持我
还可在评论区与我互动