电磁炉故障检修思路与电路图集最新章节目录

十一、低压整流电路

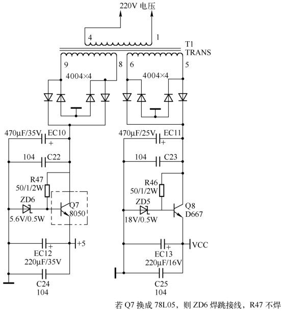
18V电压电路分析:18V整流、稳压电路如图1-12所示,该电路由变压器T1、整流管D1~D4、电容EC11、C23及起稳压作用的R46、Q8、ZD5、EC13、C25等元器件组成。该电路的作用是将220V电压变压、整流、滤波后,由稳压电路稳压输出18V电压,供风扇电动机、驱动电路及集成电路LM339工作使用。电磁炉电源接通后220V电压加到变压器T1的初级,此时在次级的5、6引脚上产生的感应电动势经二极管D1~D4组成的桥式整流电路整流,EC11、C23滤除干扰后形成20V左右的直流电压,该电压经Q8、R46、ZD5组成的稳压电路进行稳压,又经EC13、C25滤波后形成比较稳定的18V电压。

图1-12 18V低压整流稳压电路

故障特征:在18V整流稳压电路中,变压器T1损坏会使电磁炉出现加电无反应现象;整流管D1~D4损坏会使18V电压无输出或输出电压变低;18V电压无输出会导致电磁炉不检锅、不加热、风扇电动机不转;18V电压输出变小,轻则会导致电磁炉输出加热功率变小,重则会导致电磁炉功率管击穿短路及风扇转速变慢;电阻R46、Q8损坏会使18V电压无输出;稳压管ZD5损坏会使18V电压不输出或输出电压变低;EC13容量下降或变质使18V输出电压降低或不稳定;C25击穿会导致稳压调整管损坏而使18V电压无输出。

5V电压电路分析:5V整流稳压电路由变压器 T1、整流二极管 D5 ~D8、滤波电容EC10、C22及起稳压作用的R47、Q7、ZD6、EC12、C24等元器件组成。该电路的主要作用是220V电压变压整流滤波后,由稳压电路稳压输出5V电压作为集成电路U1及集成电路LM339的基准参考电压使用。电磁炉接通电源后220V电压经电源变压器T1变压,从次级8、9引脚感应出交流电动势由D5~D8组成的桥式整流电路整流,电容EC10、C22滤除干扰成分获得12V左右的直流电压,而后由Q7、R47、ZD6组成的稳压电路稳压并经EC12、C24滤波输出5V电压。

故障特征:在5V稳压电路中,若变压器T1损坏电磁炉会出现加电无反应现象;整流二极管D5~D8损坏会造成5V电压无输出或输出5V电压偏低;若电磁炉无5V电压会出现加电无反应现象,5V电压偏低电磁炉会出现加电无反应、操作程序错乱、功率管击穿等现象;电阻R47阻值变大会使5V电压无输出,调整管Q7关断会导致无5V电压输出;Q7短路会使5V电压输出偏高;稳压管ZD6损坏会使5V输出电压不稳定;电容EC12、C24击穿会使5V电压无输出或导致调整管Q7损坏。

孙运生编著
作家的话
去QQ阅读支持我
还可在评论区与我互动