变频器应用与维修问答

下载全本
听书
变频器应用与维修问答最新章节目录

78.功率单元串联电压型变频器的结构原理是什么?

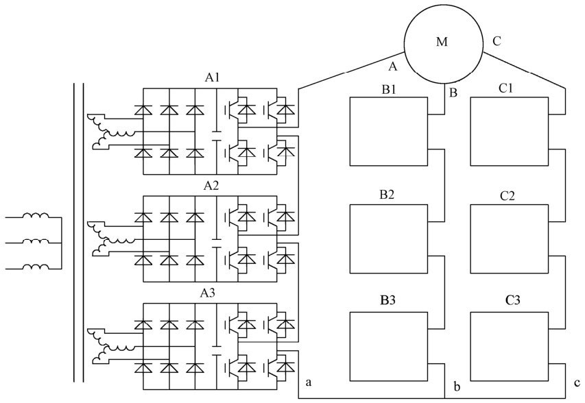
功率单元串联高(中)压变频器采用多级小功率的PWM变频单元,分别进行整流﹑滤波﹑逆变,将其串联叠加起来得到三相变频高压输出。对于6000V输出,每相采用5组交流输出690V的IGBT功率逆变单元。每个功率单元由一体化的输入隔离变压器二次侧绕组分别供电,二次侧绕组采用延边三角形接法,18个绕组分成3个位组,互差120°,实现输入多重化接法,可消除各功率单元产生的谐波。电源侧电压畸变率小于1.2%,电流畸变小于0.8%,对电网的污染小。也可以每相采用3组交流输出1140V的IGBT功率逆变单元构成变频器,如图1-33所示,元器件减少了,但谐波相对大一些。

图1-33 功率单元串联高(中)压变频器结构图

刘美俊编著
作家的话
去QQ阅读支持我
还可在评论区与我互动