变频器应用与维修问答

下载全本
听书
变频器应用与维修问答最新章节目录

13.EXB841厚膜驱动电路的工作原理怎样?

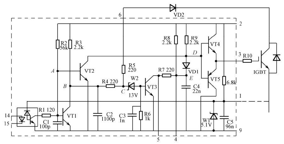
EXB841厚膜驱动电路原理图如图1-6所示,其工作分为以下3个过程。

1)正常开通过程

当光耦二极管导通时,VT2截止,D点高电平,VT4导通,VT5截止,VT1截止,电源经R3向C2充电,充电时间常数τ1=R3C2=2.42μs,B点电位上升,电压由零升到13V的时间t由下式求出。

图1-6 EXB841厚膜驱动电路原理图

得到t=2.54μs。由于IGBT已在1μs时导通,6脚电位钳制在8V,即C点电位为8V。

2)正常关断过程

光耦截止,VT2导通,VT4截止,VT5导通,IGBT栅极电荷经VT5迅速放电,IGBT截止,加-5V电压使IGBT可靠截止。

3)保护动作

正常导通时,C点电位为8V,W2不被击穿,VT3不导通,E点电位保持20V,二极管VD1截止。若发生短路,二极管VD2截止,C点电位开始上升;至13V时,W2击穿,VT3导通,C4通过R7放电,E点电位逐渐下降,二极管VD1导通,D点电位也逐渐下降,缓慢关断IGBT。

发生过流后的动作时间如下。

C点电位由8V上升至13V的时间为

E点由20V下降到3.6V的时间为

式中τ2=C4R7=4.84μs。

保持这种状态直到控制信号使光耦截止,IGBT截止。VT1导通使C2迅速放电,VT3截止,20V电源通过R8对C4充电,时间常数为τ3=C4R7=4.84μs,则E点由3.6V升至19V的时间为

保护动作后需135μs,EXB841完全恢复到正常状态,为下一次保护动作做好准备。

刘美俊编著
作家的话
去QQ阅读支持我
还可在评论区与我互动