变频器应用与维修问答

下载全本
听书
变频器应用与维修问答最新章节目录

8.变频器的充电限流电路有几种形式?

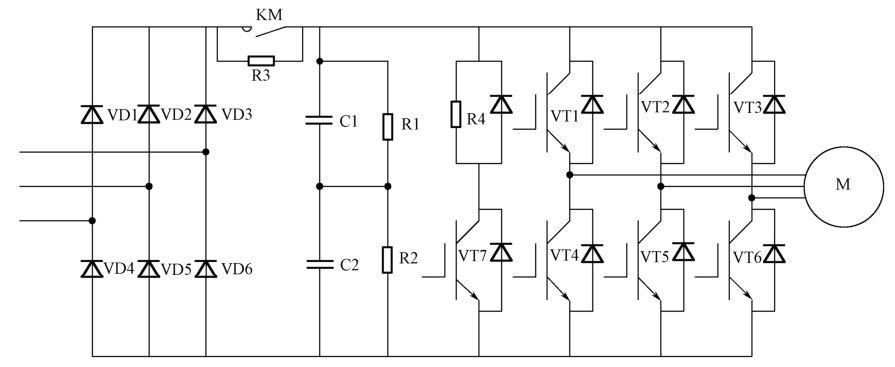
变频器的充电限流电路常用电阻和交流接触器并联,也可用其他的元器件。由于结构不同,整流充电限流电路有4种形式。如图1-2所示变频器主电路图采用电阻和交流接触器并联形式。

图1-2 变频器主电路图

图中,限流电阻R3和交流接触器KM组成整流充电限流电路。

如果用一只可控硅代替交流接触器,限流电阻与可控硅并联组成了第二种整流充电限流电路,如图1-3所示。

图1-3 可控硅充电限流电路

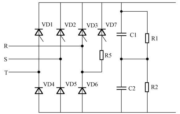
可控硅半控整流桥充电限流电路如图1-4所示,R5和VD7组成整流充电限流电路。

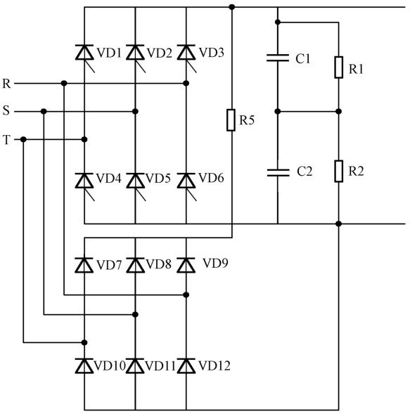
可控硅全控整流桥充电限流电路如图1-5所示,R5和辅助充电整流桥VD7~VD12组成整流充电限流电路。

图1-4 可控硅半控整流桥充电限流电路

图1-5 可控硅全控整流桥充电限流电路

刘美俊编著
作家的话
去QQ阅读支持我
还可在评论区与我互动