村镇供水与饮水安全

下载全本
听书
村镇供水与饮水安全最新章节目录

第四节 河床式取水构筑物

从河心进水口取水的构筑物称为河床式取水构筑物,它主要由泵房、集水间或集水井、进水管和取水头部4部分组成。

当河床稳定、河岸较平坦、枯水期主流离岸较远、岸边水深不足或水质不好,而河心有足够水深或较好水质时,适宜采用河床式取水构筑物。

一、河床式取水构筑物的基本型式

河床式取水构筑物按照进水管型式的不同,可分为4种基本型式:自流管取水式、虹吸管取水式、水泵直接取水式和江心桥墩取水式,分别如图2-47~图2-50所示。

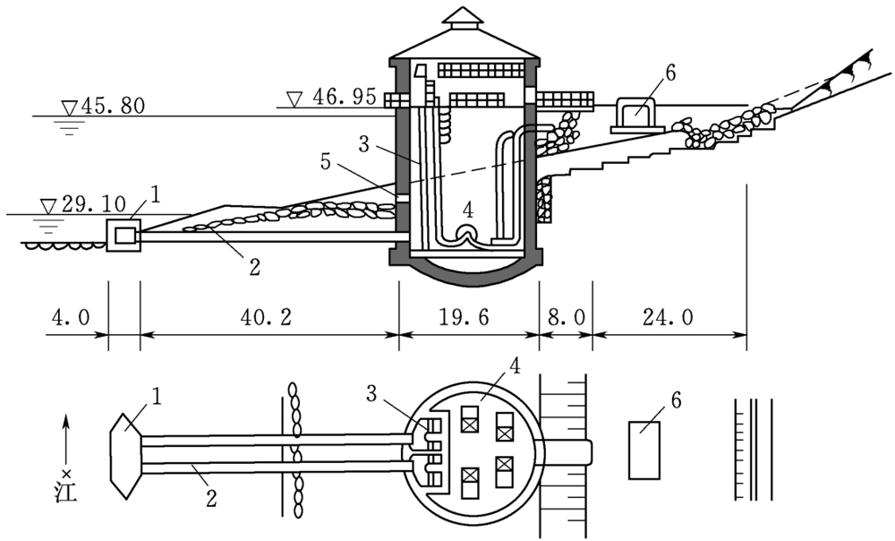
图2-47 自流管取水构筑物(单位:m)

1—取水头部;2—自流管;3—集水间;4—泵站;5—进水孔;6—阀门井

图2-48 虹吸管取水构筑物

1—取水头部;2—虹吸管;3—集水间;4—泵房

图2-49 水泵直接取水构筑物

1—取水头部;2—水泵吸水管;3—泵房

图2-50 江心桥墩取水构筑物

1—进水间;2—进水孔;3—泵站;4—引桥

二、河床式取水构筑物的构造

河床式取水构筑物是由泵房、集水间、进水管和取水头部组成。由于泵房和集水间与岸边式取水构筑物的泵房、进水间基本相同,这里只重点介绍进水管和取水头部。

1.集水间

集水间与泵房分建的集水间如图2-51所示。

与泵房合建的集水间常常布置在泵房的前侧,占用泵房的部分面积,如图2-52所示,其中图2-52(a)布置比较紧凑,但集水间的结构上处理较复杂;图2-52(b)布置将集水间附于泵房壁,在取水量较大,水泵台数较多时,也可将集水间做成独立的、与泵房完全分开的构筑物。

2.取水头部

(1)取水头部的形式与构造。常用的取水头部有喇叭管、蘑菇形、鱼形罩、箱式以及桥墩式等。

1)喇叭管取水头部。如图2-53所示,设有格栅的金属喇叭管,用桩架或支墩固定在河床上。这种取水头部构造简单,造价较低,施工方便,适宜在中小取水量时采用。

图2-51 集水间与泵房分建

图2-52 集水间与泵房合建

图2-53 喇叭管取水头部

图2-54 蘑菇形取水头部

2)蘑菇形取水头部。如图2-54所示,是一个向上的喇叭管,其上再加一金属帽盖。河水由帽盖底部流入,带入的泥沙及漂浮物较少。头部分几节装配,便于吊装和检修;头部高度较大,要求设置在枯水期时仍有一定水深,适用于中小型取水构筑物。

3)鱼形罩取水头部。如图2-55所示,是一个两端带有圆锥头部的圆筒,在圆筒表面和背水圆锥面上开设圆形进水孔。其水流阻力小,进水面积大,进水孔流速小,漂浮物难以吸附在罩上,适宜于水泵直接从河中取水。

图2-55 鱼形罩取水头部

4)箱式取水头部。由周边开设进水孔的钢筋混凝土箱和设在箱内的喇叭管组成。由于进水孔总面积较大,能减少冰凌和泥沙进入量。适宜在冬季冰凌较多或含沙量不大,水深较小的河流上采用。中小型取水工程中用得较多。箱的平面形状有圆形、矩形、菱形等。

5)斜板取水头部。在取水头部设斜板,这种新型取水头部除沙效果较好,适用于粗颗粒泥沙较多的河流。采用斜板取水头部时,河流应具有足够的水深和较大的流速,以便冲走沉降在河床上的泥沙。

(2)取水头部的设计。取水头部应满足:尽量减少吸入泥沙和漂浮物,防止头部周围河床冲刷,避免船只和木排碰撞,防止冰凌堵塞和冲击,便于施工,便于清洗检修等。因此,在设计中应考虑以下一些问题。

1)取水头部的位置和朝向。取水头部应设在稳定河床的深槽主流,有足够的水深处。为避免推移质泥沙,侧面进水孔的下缘应高出河底,一般不小于0.5m,顶部进水孔应高出河底1.0~1.5m以上。从湖泊、水库取水时,底层进水孔下缘距水体底部的高度,应根据泥沙淤积情况确定,但不得小于1.0m。

取水头部进水孔的上沿在设计最低水位以下的淹没深度:当顶部进水时不小于0.5m,侧面进水时不小于0.3m,当有冰凌时,从冰凌下沿算起;虹吸管和吸水管进水时,其上沿的淹没深度,不小于1.0m(避免吸入空气);从顶部进水时,应考虑当进水流速大时产生漩涡而影响淹没深度;从湖泊、水库取水时,应考虑风浪对淹没深度的影响。在通航河道中,取水头部的最小淹没深度应根据航行船只吃水深度的要求确定,并取得航运部门同意,必要时应设置航标。

进水孔一般布置在取水头部的侧面和下游面。漂浮物较少和无冰凌时,也可布置在顶面。

2)取水头部的外形与水流冲刷。为了减少取水头部对水流的阻力,避免引起河床冲刷,取水头部的迎水面一端做成流线型,并使头部长轴与水流方向一致,但流线型不便于施工和布置设备,实际应用较少。菱形、长圆形的水流阻力较小,常用于箱式和墩式取水头部。圆形水流阻力虽较大,但能较好的适应水流方向的变化,且施工较方便。

3)进水孔流速和面积。进水孔的流速要选择恰当。流速过大,易带入泥沙、杂草和冰凌;流速过小,又会增大进水孔和取水头部的尺寸,增加造价和水流阻力。进水流速应根据河中泥沙及漂浮物的数量、有无冰凌、取水点的水流速度、取水量的大小等确定。河床式取水构筑物进水孔的过栅流速,应根据水中漂浮物数量、有无冰絮、取水点的流速、取水量大小、检查和清理格栅的方便程度等因素确定。一般有冰絮时为0.1~0.3m/s,无冰絮时为0.2~0.6m/s。

取水头部的进水孔与格栅面积可参照岸边式取水构筑物的有关内容决定。

3.进水管

进水管有自流管、进水暗渠、虹吸管等。自流管一般采用钢管、铸铁管和钢筋混凝土管。虹吸管要求严密不漏气,宜采用钢管,但埋在地下的亦可采用铸铁管。进水暗渠一般用钢筋混凝土,也有用岩石开凿衬砌而成。

为了提高进水的安全可靠性和便于清洗检修,进水管一般不应少于两条。当一条进水管停止工作时,其余进水管通过的流量应满足事故用水要求。

进水管的管径应按正常供水时的设计水量和流速决定。管中流速不应低于泥沙颗粒的不淤流速,以免泥沙沉积;但也不宜过大,以免水头损失过大,增加集水间和泵房的深度。进水管的设计流速一般不小于0.6m/s。水量较大、含沙量较大、进水管短时,流速可适当增大。一条管线冲洗或检修时,管中流速允许达到1.5~2.0m/s。

自流管一般埋设在河床下0.5~1.0m,减少其对江河水流的影响和免受冲击。自流管如需敷设在河床上时,须用块石或支墩固定。自流管的坡度和坡向应视具体条件而定,可以坡向河心、坡向集水间或水平敷设。

虹吸管的虹吸高度一般采用不大于4~6m,虹吸管末端至少应伸入集水井最低动水位以下1.0m。虹吸管应朝集水间方向上升,其最小坡度为0.003~0.005。每条虹吸管宜设置单独的真空管路,以免互相影响。

进水管内在投产初期尚达不到设计水量,管内流速过小时,可能产生淤积;有时自流长期停用,由于异重流的原因,管道内上层清水与河中浑水不断地发生交替,也可能造成管内淤积;有时漂浮物可能堵塞取水头部。在这些情况下应考虑冲洗措施。进水管的冲洗方法有顺冲、反冲两种。

顺冲是关闭一部分进水管,使全部水量通过待冲的一根进水管,以加大流速的方法来实现冲洗;或在河流高水位时,先关闭进水管上的阀门,从该格集水间抽水至最低水位,然后迅速开启进水管阀门,利用河流与集水间的水位差来冲洗进水管。顺冲法比较简单,不需另设冲洗管道,但附在管壁上的泥沙难于冲掉。

反冲洗是当河流水位低时,先关闭进水管末端阀门,将该格集水间充水至高水位,然后迅速开启阀门,利用集水间与河流的水位差来反冲进水管;或者将泵房内的水泵压水管与进水管连接,利用水泵压力水或高位水池来水进行反冲洗。这种方法冲洗效果较好,但管路较复杂。虹吸进水管还可在河流低水位时,利用破坏真空的办法进行反冲洗。

刘福臣主编
作家的话
去QQ阅读支持我
还可在评论区与我互动